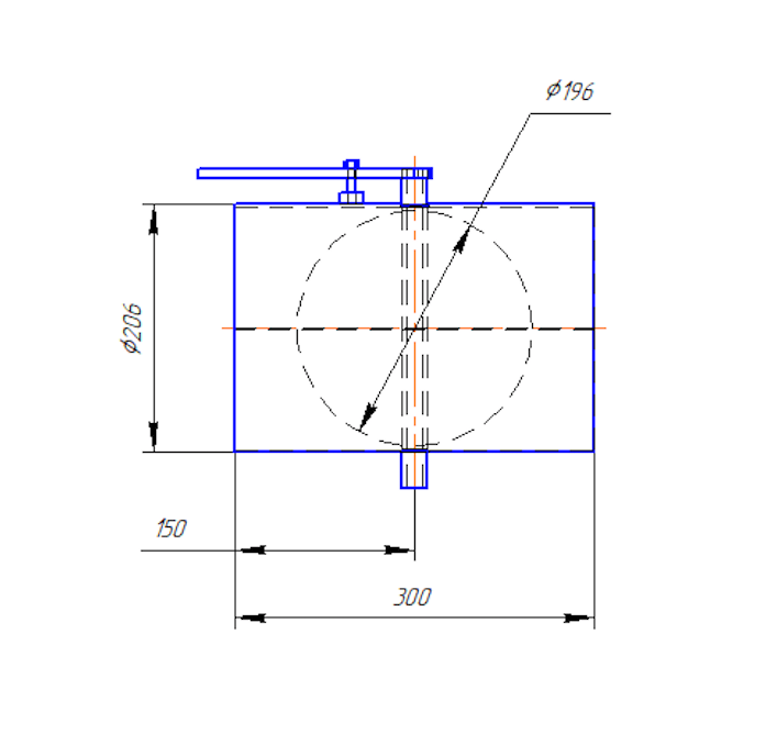
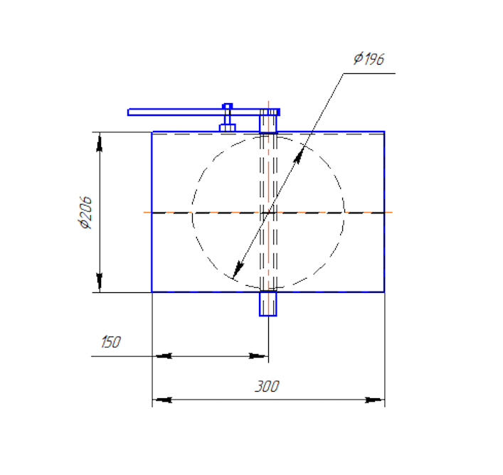
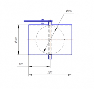
Клапаны ДКП предназначены для регулировки и перекрывания воздушного потока в системе круглых воздуховодов. Корпус и заслонка клапанов изготавливаются из полипропилена. Клапаны ДКП изготовлены под ручной привод. Максимальная рабочая температура составляет 60°С.
Главная _
Дроссель-клапан D 200 мм с ручным управлением полипропилен
Дроссель-клапан D 200 мм с ручным управлением полипропилен
В наличии
6 772 руб.
Доставка в Белгород
До ПВЗ: от 220 руб., 2 - 3 дня
Доставка до двери: от 370 руб., 2 - 3 дня
2 пункта выдачи в Белгороде Подробнее
Бренд: Визионер
| Диаметр: | 200 |
| Производитель: | Визионер |
| Тип: | Круглое сечение (диаметр 200 мм) |
| Страна производства: | Россия |
| Размеры: | 310x290x210 |
| Вес: | 1.5 |
Авторизуйтесь, чтобы оставить отзыв: Войти




